Ventilator axial intubat ELICENT CMP ATEX 638 T
31 zile lucratoare pana la intrare in stoc
Descriere
Utilizare:
- ventilatorul axial intubat CMP ATEX este folosit in aplicatii care presupun instalarea de tubulatura , care necesita un flux mare de aer, cu o cadere de presiune relativ scazuta, cum ar fi: sistemele de ventilatie si de racire in domeniul industrial, naval, comercial, rezidential, energetic, etc;
- este potrivit pentru instalarea in zone unde este necesara protectia impotriva exploziilor si incendiilor din cauza prezentei gazului inflamabil. (II2G);
Caracteristici:
- acest ventilator este certificat de IMQ in conformitate cu Directiva Atex 94/9/CE si EN 14986;
- acest ventilator este adecvat pentru transportul aerului curat cu temperaturi de la -20 la +40 gr.C ;
- comparativ cu ventilatoarele centrifugale, ventilatorul axial intubat ELICENT CMP ATEX prezinta avantajul unor dimensiuni compacte si a unei instalari usoare.
Caracteristici contructive:
- carcasa este din tabla de otel presat, cu flanse de fixare realizate in conformitate cu UNI ISO 6580 - EUROVENT standard;
- carcasa este vopsita cu un strat de pulbere epoxidica, pentru a proteja impotriva agentilor atmosferici;
- rotor axial cu palete profilate din poliamida armata cu fibra de sticla, iar axul este confectionat din aluminiu turnat. Echilibrat in conformitate cu ISO 1940;
- rotorul este cuplat direct la axul motorului. Directia fluxului de aer este de la motor la elice;
- motor asincron monofazat si trifazat, in conformitate cu standardele internationale EC 60034, IEC 60072, EMC 2004/108/CE, LVD 2006/95/CE, cu certificare ATEX pentru medii explozive categoria G grupa II clasa termica T4 protectie Exd, certificare CE, IP55, clasa F;
- functionare continua la sarcina constanta;
Curba de performanta:

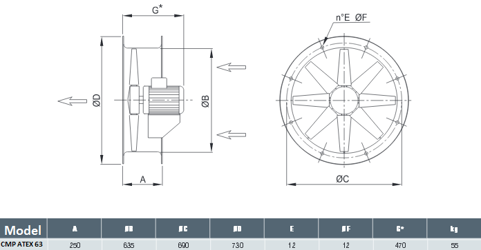
Dimensiunea ventilatorului:


Ce reprezinta ELICENT?
Elicent®, este una dintre companiile de top din Italia din domeniul ventilatiei industriale si casnice.
Din 1970 si pana in prezent, Elicent s-a straduit intotdeauna sa combine designul, functionalitatea si inalta tehnologie, reusind sa produca sisteme de ventilatie cu adevarat performante. De peste 40 de ani, Elicent lucreaza cu aceeasi daruire pentru a realiza produse inovatoare, solutii avansate de tratare a aerului - ventilatoare casnice, comerciale si industriale, precum si recuperatoare de caldura pentru toate aplicatiile.
Produsele marca Elicent sunt distribuite in peste 70 de tari din intreaga lume.
Caracteristici
| Temperatura maxima de functionare (gr C) | -20gr.C +40gr.C in functionare continuua |
| Amperaj (A) | 0.95 |
| Putere motor (W) | 180 |
| Sursa V-Hz-Ph | 380/50/3 |
| IP | 55 |
| Nivel de zgomot maxim dB(A) | 73 |
| Numar poli | 8 |
| Marca produs | ELICENT |
| Clasa de izolare | F |
| Debit de aer maxim (m³/h) | 8000 |
| Seria | CMP ATEX |
| Tip produs | Antiex |
Review-uri
Clientii Intax nu au adaugat inca opinii pentru acest produs. Fii primul care adauga o parere, folosind formularul de mai jos.




Garantie 2 ani
Despachetezi in 24H in tara